
तपशीलवार उत्पादन वर्णन
| फायदाः | वेगवान | लेबलिंग गती: | 60-200 पीसी / मिनिट |
|---|---|---|---|
| कार्य: | अॅसिव्ह स्टिकर लेबलिंग | साहित्य: | स्टेनलेस स्टील |
| बाटली प्रकार: | स्वयंचलित गोल बाटली लेबलर जार | अर्जः | सर्व प्रकारच्या गोल कंटेनरसाठी |
| पीएलसी ब्रँड: | मित्सबिशी (जपान) | सर्वो लेबलिंग मोटर: | डेल्टा (तैवान) |
रेड वाईन लेबलिंग मशीन ग्लास वाइन बाटली लेबलिंग मशीन, पीएलसी कंट्रोल सिस्टम मितशीशी ब्रँड लेबलिंग मशीन
वैशिष्ट्ये:
1. ऑपरेशनः पीएलसी कंट्रोल सिस्टम लेबलिंग मशीन ऑपरेट करणे सोपे करते
2. सामग्री: लेबलिंग मशीनचे मुख्य शरीर एसयूएस 304 स्टेनलेस स्टीलचे बनलेले आहे
Config. कॉन्फिगरेशनः आमची लेबलिंग मशीन सुप्रसिद्ध जपानी, जर्मन, अमेरिकन, कोरियन किंवा तैवान ब्रँड भाग स्वीकारतात
F. लवचिकता: क्लायंट प्रिंटर आणि कोड मशीन जोडणे निवडू शकतो; कन्व्हेअरशी कनेक्ट होण्याचे किंवा नाही निवडणे निवडू शकते.
तांत्रिक बाबी:
| नाव | हाय स्पीड स्लीव्हसाठी स्वयंचलित गोल वाइनची बाटली लहान बाटली लेबलिंग मशीन संकुचित करते |
| लेबलिंग गती | 60-350 पीसी / मिनिट |
| ऑब्जेक्टची उंची | 30-350 मिमी |
| ऑब्जेक्टची जाडी | 20-120 मिमी |
| लेबलची उंची | 5-180 मिमी |
| लेबलची लांबी | 25-300 मिमी |
| व्यासाच्या आत लेबल रोलर | 76 मिमी |
| व्यासाच्या बाहेरील लेबल रोलर | 420 मिमी |
| लेबलिंगची अचूकता | ± 1 मिमी |
| वीजपुरवठा | 220V 50 / 60HZ 3.5KW |
| प्रिंटरचा गॅस वापर | 5 केजी / एम 2 (कोडिंग मशीन जोडल्यास) |
| लेबलिंग मशीनचा आकार | 2800 (एल) × 1650 (डब्ल्यू) 00 1500 (एच) मिमी |
| लेबलिंग मशीनचे वजन | 180 किलो |
कॉन्फिगरेशन
| नाही | भाग | ब्रँड | प्रमाण |
| 1 | पीएलसी | मित्सुबिशी (जपान) | 1 |
| 2 | मुख्य कनव्हर्टर | डॅनफॉस (डेन्मार्क) | 1 |
| 4 | एचएमआय | WEINVIEW (तैवान) | 1 |
| 5 | सर्वो लेबलिंग मोटर | डेल्टा (तैवान) | 1 |
| 6 | सर्वो लेबलिंग मोटर ड्राइव्हर | डेल्टा (तैवान) | 1 |
| 7 | कन्व्हेयर मोटर | एचवाय (तैवान) | 1 |
| 8 | कन्व्हेयर मोटर गिअरबॉक्स | एचवाय (तैवान) | 1 |
| 9 | बाटली मोटर विभाजित | जीपीजी (तैवान) | 1 |
| 10 | बाटली मोटर गिअरबॉक्सचे विभाजन | जीपीजी (तैवान) | 1 |
| 11 | बाटली विभक्त मोटर वेग गव्हर्नर | जीपीजी (तैवान) | 1 |
| 12 | स्पोक मोटर | जीपीजी (तैवान) | 1 |
| 13 | मोटार गिअरबॉक्स बोलला | जीपीजी (तैवान) | 1 |
| 14 | ऑब्जेक्ट जादू डोळा शोधू | ओमरॉन (जपान) | 1 |
| 15 | ऑप्टिकल फायबर | ओमरॉन (जपान) | 1 |
मशीन तपशील:

32 मुख्य लेबलिंग मशीन भाग

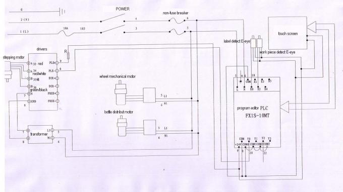
सर्किट आकृती

FAQ:
1.label फुगे होतात
कारणेः
फळाची साल सोलणे चांगले / सपाट नसते;
नांगर फलक चांगले / सपाट नसते;
③ लेबलिंग आउटपुट बरेच वेगवान आहे किंवा असेंब्ली लाइनची गती खूप कमी आहे;
④ लेबल खूप सैल ओढलेले आहे
उपाय:
Board बंद फळाची साल सोलणे बंद करणे;
Flat एक सपाट नांगर बोर्ड बदलणे;
Label लेबलिंग आउटपुट गती कमी करा किंवा असेंब्ली लाइनची गती वाढवा;
Label लेबल पट्ट्यावर योग्यप्रकारे परिणाम करा.
टॅग: औद्योगिक लेबलिंग मशीन, काचेच्या बाटलीचे लेबलिंग मशीन









